AI biosensor combines input channels for cardio and neurological sensing
STMicroelectronics has developed a biosensor for the next generation of healthcare wearables like smart watches, sports bands, connected rings, or smart glasses. The ST1VAFE3BX chip combines a high-accuracy biopotential input with ST’s inertial sensing and AI core for activity detection in the chip.
The ST1VAFE3BX provides opportunities to extend wearable applications beyond the wrist to other locations on the body, such as intelligent patches for lifestyle or medical monitoring purposes for heart-rate variability, cognitive function, and mental state monitoring.
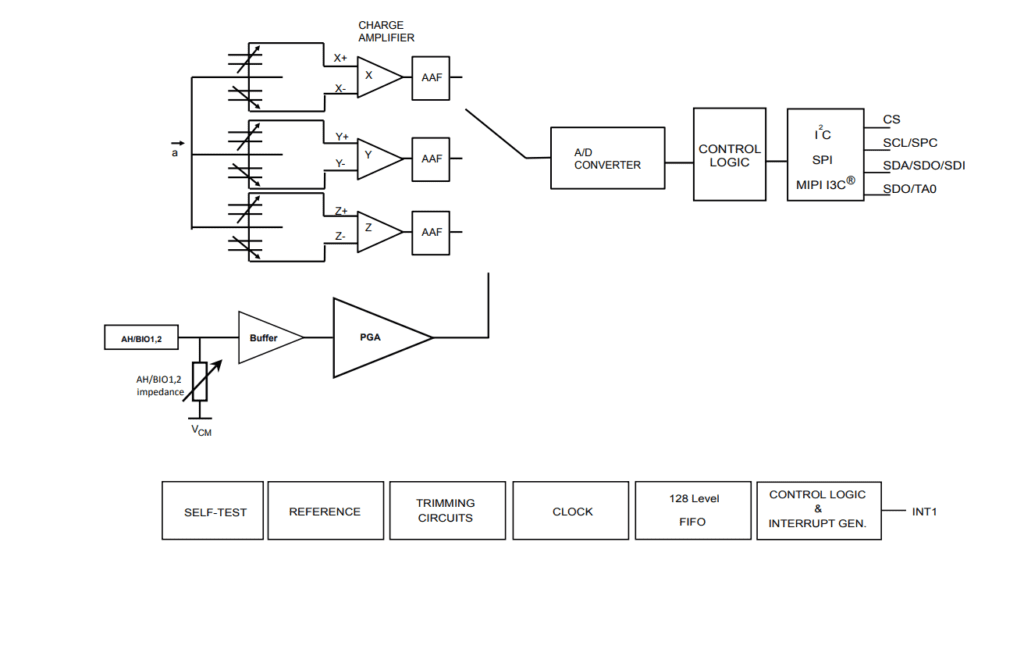
The analog front-end circuits for biopotential sensors are difficult to design and subject to unpredictable effects such as skin preparation and the position of electrodes attached to the body. The ST1VAFE3BX provides a complete vertical analog front end (vAFE) that simplifies the detection of different types of vital signs that can indicate physical or emotional state.
The bio-detection signal channel comprises the vAFE with programmable gain and 12-bit ADC resolution. The maximum output data rate of 3200Hz is suitable for a wide variety of biopotential measurements to quantify heart, brain, and muscular activity.
The precision AFE is combined on-chip with a MEMS (microelectromechanical systems) low-noise accelerometer with a programmable full-scale range from ±2g to ±16g. This provides information about the wearer’s movement, which is synchronised with the biopotential sensing to help the application infer any link between measured signals and physical activity.
The ST1VAFE3BX also integrates ST’s machine-learning core (MLC) and finite state machine (FSM) that enable product designers to implement simple decision trees for neural processing on the chip. These AI skills let the sensor handle functions such as activity detection autonomously, offloading the main host CPU to accelerate system responses and minimise power consumption.
The device is powered from a supply voltage in the range 1.62V to 3.6V and has typical operating current of just 50µA, which can be cut to just 2.2µA in power-saving mode.

ST also provides software tools like MEMS Studio in the ST Edge AI Suite, including tools for configuring decision trees in the MLC. In addition to the machine-learning core and programmable finite state machine, which can provide functionality such as activity detection, the ST1VAFE3BX implements advanced pedometer, step detector, and step counting functions.
“Wearable electronics is the critical enabling technology for the upsurge in individual health awareness and fitness. Today, everyone can have heart-rate monitoring, activity tracking, and geographical location on their wrist,” said Simone Ferri, APMS Group VP, MEMS Sub-Group General Manager at STMicroelectronics. “Our latest biosensor chip now raises the game in wearables, delivering motion and body-signal sensing in an ultra-compact form-factor with frugal power budget.”
ST customers BM Innovations GmbH (BMI) and Pison are using the integrated biosensor chip for new product development
“ST’s new biosensor has enabled us to develop the next generation of precise athlete performance monitoring systems including ECG analysis in a chest band or a small patch,” said Richard Mayerhofer, Managing Director at BMI. “Combining the analog signal from the vAFE with motion data from the acceleration sensor within a compact single package facilitates precise and context-aware data analysis. And with additional support for our AI algorithms directly on the sensor, this is exactly what we have been looking for.”
The ST1VAFE3BX integrated biosensor is in production now in a 2mm x 2mm 12-lead LGA package and available from the eSTore (free samples available) and distributors from $1.50 for orders of 1000 units. It will be on show at the electronica exhibition next month in Munich.
If you enjoyed this article, you will like the following ones: don't miss them by subscribing to :
eeNews on Google News