STMicroelectronics satellite-tracking ICs find fix with GALILEO
In March 2013, the first position fix of longitude, latitude and altitude using the four Galileo satellites currently in orbit was performed by the European Space Agency at its Technology Centre in the Netherlands and by ST at its GNSS (Global Navigation Satellite System) software development labs in Naples, Italy.
ST and ESA conducted the historic static and dynamic tests using a rooftop antenna with a clear view of the satellites (static) and from a mobile test-bed unit travelling in a normal user environment (dynamic). The Teseo II receiver was able to track and produce a 3D fix over the entire path of the mobile unit, using only the 4 Galileo IOV (In-Orbit Validation) satellites.
ST and ESA plan to continue the joint tests, initially as a combined multi-constellation fix with GPS and/or Glonass satellites, then later in the year, when more Galileo satellites are available, they also plan Galileo-only tests in a hostile environment.
ESA and ST have been cooperating on a project to evaluate the performance of low-cost consumer and automotive GNSS receivers with the Galileo signals, combining ESA’s expertise in knowledge of the signals, both theoretical and from monitoring, with ST’s 20 years of experience in producing chips to process satellite navigation signals.
Low-cost receivers have narrower bandwidth and less-capable antennas, but in the real world must operate in much more hostile situations than professional test receivers. As the consumer receiver must operate in urban-canyon situations when many of the signals are reflections, greatly weakened and significantly distorted, ST’s Teseo II, with its multi-constellation capability and outstanding sensitivity, makes a perfect fit for many different consumer navigation applications.
“The historic milestone achieved in collaboration with the European Space Agency is an excellent demonstration of the Galileo support on ST’s satellite navigation platform and reinforces our position as a leading supplier of high-performance GNSS receivers for applications like e-Call, Tolling, Telematics and Navigation,” said Antonio Radaelli, Infotainment Business Unit Director, STMicroelectronics. ”Furthermore, the outstanding capability of the Teseo II chips to use signals from multiple satellite navigation systems enable consumers to benefit from the Galileo navigation system before the satellite constellation is fully populated.”
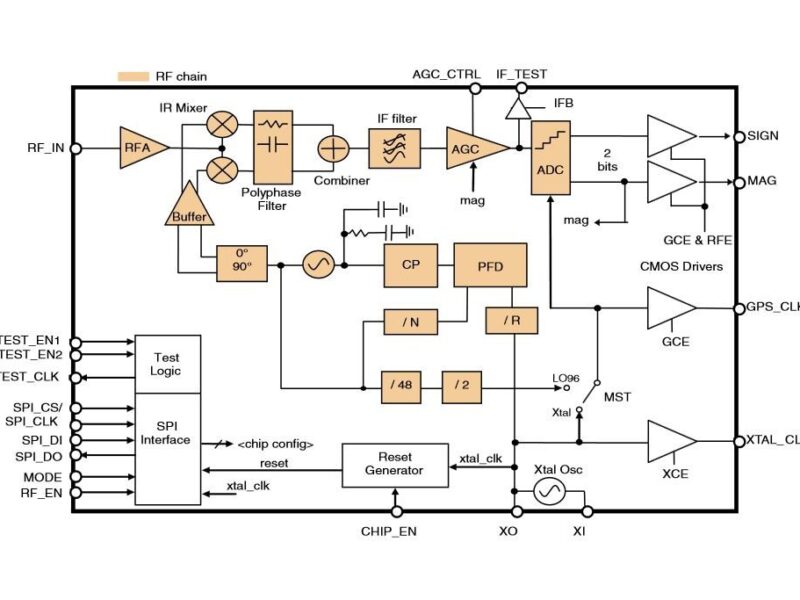
Introduced as the world’s first single-chip positioning device for multiple global navigation systems in January 2011, ST’s Teseo II is a single-chip standalone satellite receiver able to use signals from all of the satellite navigation systems, including GPS, the European GALILEO system, Russian GLONASS and Japanese QZSS. This allows the receiver to keep many satellites in sight, delivering advantages such as shorter time-to-first-fix and continuous tracking with enhanced accuracy, even under challenging circumstances such as driving through urban canyons.
If you enjoyed this article, you will like the following ones: don't miss them by subscribing to :
eeNews on Google News
