UPS designs suck says open source engineer
“In February I published a blog rant titled UPSes suck and need to be disrupted complaining about the deficiencies of crappy Uninterruptible Power Supply designs that perform poorly and pile hidden costs on their users in order to minimise vendors’ NRE and BOM costs,” said Eric Raymond, a software developer and open source veteran.
“I suggested that this whole product category needs to be disrupted by an open-hardware design that addresses the many deficiencies of existing hardware. A UPS is not a complicated device; there is no good excuse for the state of the commercial art to be as inadequate as it is,” he said. “The response was intense, almost overwhelming. It seems many UPS users are unhappy with what the vendors are pushing,” he said.
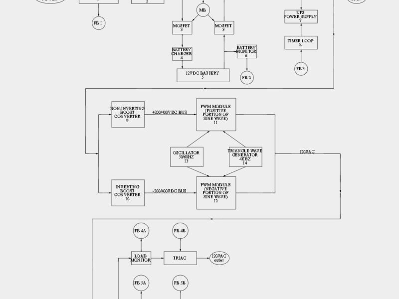
The resulting project, called upside, aims to define a set of requirements and develop a specification for a high-quality UPS that can be built from off-the-shelf parts in any reasonably well-equipped makerspace or home electronics shop. The first block diagram for the system is above.
The final deliverable will be PCB designs, a full parts list, assembly instructions, and full manuals for the hardware and software, and he has gathered a team of engineers. He is also looking for more contributions from people who have expertise in battery technology, power-switching electronics, in writing device-control firmware and in relevant standards such as USB and the DMTF battery-management profile.
He is happy to work with industry as well.
“We also welcome participation from established UPS and electronics vendors,” he said. “We know that consumer electronics is a cut-throat low-margin business in which it’s tough to support a real R&D team or make possibly-risky product bets.”
The details of the Upside project are on Github
If you enjoyed this article, you will like the following ones: don't miss them by subscribing to :
eeNews on Google News
