MENU

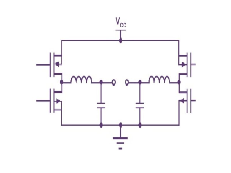
Class D Amplifier Design

Class D Amplifier Design

By Future Electronics




Disclaimer: by clicking on this button, you accept that your data might be communicated to this company. If you do not want us to communicate your data, please update your details on your profile

If you enjoyed this article, you will like the following ones: don't miss them by subscribing to :    eeNews on Google News

Share:

White Papers
View all White Papers
10s