MENU

HummingBoard i.MX8M SBC for industrial IoT

HummingBoard i.MX8M SBC for industrial IoT

News |
By Nick Flaherty



SolidRun in Israel has launched a carrier board for its i.MX8M system on module for industrial IoT (IIoT) applications.

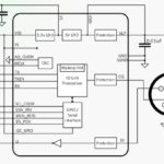
The HummingBoard i.MX8M IIOT single-board computer (SBC) combination supports a variety of industrial protocols, including multiple RS232, RS485, dual CAN-FD, and dual 1Gb Ethernet, for integration into complex IIOT networks, with flexible power options, including a wide power range and Power over Ethernet (PoE) capabilities.

The SBC measures 120 x 80 x 30mm, with DIN rail mounting option and supports temperatures from -40 to 85°C, making it suitable for a variety of industrial settings such as real-time data collection from sensors across a factory floor, while its industrial protocol support ensures compatibility with critical control systems.

High-quality graphics capabilities and extensive peripheral support make the HummingBoard i.MX8M IIOT SBC suitable for HMI applications in industrial settings, enabling interactive interfaces for monitoring and controlling equipment. The i.MX 8M Plus Quad-core A53 processor running up to 1.8 GHz supports multiple M.2 expansions to handle complex HMI tasks and wireless connectivity.

In logistics and warehousing, for example, the HummingBoard i.MX8M IIOT SBC can power interactive dashboards and kiosks that give real-time visibility into inventory levels and equipment performance, while LTE connectivity gives access to cloud data.

Built for scalability and a long lifecycle, the HummingBoard i.MX8M IIOT SBC supports multiple M.2 cards for LTE connectivity (with dual SIM support), AI accelerators, and NVMe storage. This expandability, combined with its 10-year longevity, ensures a cost-effective investment for IIOT ecosystems requiring sustainable performance and scalability.

Software support includes the latest Yocto and Debian BSP, along with drivers for TPM 2.0, RTC, Wi-Fi, Bluetooth Low Energy, and a wide range of interfaces, easing the development process for engineers and reducing time-to-market for industrial applications.

“We designed the HummingBoard i.MX8M IIOT SBC to exceed the rigorous demands of modern industrial environments,” said Dr. Atai Ziv, CEO at SolidRun. “This new SBC provides hardware manufacturers and system integrators with the flexibility, power, and connectivity required to implement advanced IIOT and HMI systems that will drive the future of industrial automation.”

The board is used for a market-ready industrial IoT gateway tailored for versatile applications. The IIOT-200-8M Gateway is designed to support multiple industrial protocols, including RS232, RS485, CAN-FD, and 1Gb Ethernet with Power over Ethernet (PoE) with LTE connectivity with an M.2 B-key and dual SIM support, along with M.2 M-key compatibility for NVMe storage and a variety of AI accelerators.

Housed in a rugged extruded aluminium chassis, it is also DIN rail-mountable for ease of deployment in demanding environments.

The HummingBoard i.MX8M IIOT SBC is now available for purchase through SolidRun’s website, and through SolidRun’s global network of distributors, including Future Electronics, Arrow Electronics and Avnet Silica. 

 

If you enjoyed this article, you will like the following ones: don't miss them by subscribing to :    eeNews on Google News

Share:

Linked Articles
10s